(C) David Vajda
Mon Jan 6 09:28:58 2025
3 Network - TTL - Disjunktive Normalform
x2 x1 x0 y
0 0 0 0 0
1 0 0 1 1
2 0 1 0 1
3 0 1 1 0
4 1 0 0 1
5 1 0 1 1
6 1 1 0 0
7 1 1 1 0
x2 x1 x0 y
1 0 0 1 1
2 0 1 0 1
4 1 0 0 1
5 1 0 1 1
x2 x1 x0 y
Gruppe 1:
1 0 0 1 1
2 0 1 0 1
4 1 0 0 1
Gruppe 2:
5 1 0 1 1
1:5 - 0 1
2 0 1 0
4:5 1 0 -
1 2 4 5
1:5 + +
2 +
4:5 + +
1:5 - 0 1
2 0 1 0
4:5 1 0 -
library ieee;
use ieee.std_logic_1164.all;
entity quine20250106 is
port (
x2, x1, x0: in std_logic;
y: out std_logic
);
end;
architecture behaviour of quine20250106 is
begin
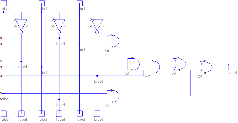
y <= (not x1 and x0) or
(not x2 and x1 and not x0) or
(x2 and not x1);
end;
library ieee;
use ieee.std_logic_1164.all;
entity quine20250106testbench is
port (
y: out std_logic
);
end;
architecture behaviour of quine20250106testbench is
component quine20250106
port (
x2, x1, x0: in std_logic;
y: out std_logic
);
end component;
signal x2, x1, x0: std_logic;
begin
q: quine20250106 PORT MAP (x2=>x2, x1=>x1, x0=>x0, y=>y);
|
VHDL-Code:
-- (C) David Vajda
-- Mon Jan 6 09:28:58 2025
-- 3 Network - TTL - Disjunktive Normalform
library ieee;
use ieee.std_logic_1164.all;
entity quine20250106 is
port (
x2, x1, x0: in std_logic;
y: out std_logic
);
end;
architecture behaviour of quine20250106 is
begin
y <= (not x1 and x0) or
(not x2 and x1 and not x0) or
(x2 and not x1);
end;
library ieee;
use ieee.std_logic_1164.all;
entity quine20250106testbench is
port (
y: out std_logic
);
end;
architecture behaviour of quine20250106testbench is
component quine20250106
port (
x2, x1, x0: in std_logic;
y: out std_logic
);
end component;
signal x2, x1, x0: std_logic;
begin
q: quine20250106 PORT MAP (x2=>x2, x1=>x1, x0=>x0, y=>y);
x0 <= '0' after 0 ns, '1' after 10 ns, '0' after 20 ns, '1' after 30 ns, '0' after 40 ns, '1' after 50 ns, '0' after 60 ns, '1' after 70 ns, '0' after 80 ns;
x1 <= '0' after 0 ns, '0' after 10 ns, '1' after 20 ns, '1' after 30 ns, '0' after 40 ns, '0' after 50 ns, '1' after 60 ns, '1' after 70 ns, '0' after 80 ns;
x2 <= '0' after 0 ns, '0' after 10 ns, '0' after 20 ns, '0' after 30 ns, '1' after 40 ns, '1' after 50 ns, '1' after 60 ns, '1' after 70 ns, '0' after 80 ns;
end;
|