quine20241229.txt

Image quine20241229

Image Screenshot_20241229_140910


    ;; (C) David Vajda
    ;; Sun Dec 29 2024
    ;; Quine Mc Clusky - DNF - VHDL - caneda

 0 0 0 0 0    0
 1 0 0 0 1    0
 2 0 0 1 0    1
 3 0 0 1 1    0
 4 0 1 0 0    0
 5 0 1 0 1    0
 6 0 1 1 0    1
 7 0 1 1 1    1
 8 1 0 0 0    1
 9 1 0 0 1    0
10 1 0 1 0    1
11 1 0 1 1    1
12 1 1 0 0    1
13 1 1 0 1    0
14 1 1 1 0    0
15 1 1 1 1    0


 2 0 0 1 0    1
 6 0 1 1 0    1
 7 0 1 1 1    1
 8 1 0 0 0    1
10 1 0 1 0    1
11 1 0 1 1    1
12 1 1 0 0    1

Gruppe 1:
 2 0 0 1 0    1
 8 1 0 0 0    1
Gruppe 2:
 6 0 1 1 0    1
10 1 0 1 0    1
12 1 1 0 0    1
Gruppe 3:
 7 0 1 1 1    1
11 1 0 1 1    1


2:6     0   -   1   0
2:10    -   0   1   0
8:10    1   0   -   0
8:12    1   -   0   0
6:7     0   1   1   -
10:11   1   0   1   -


2:10    -   0   1   0
2:6     0   -   1   0
8:12    1   -   0   0
8:10    1   0   -   0
6:7     0   1   1   -
10:11   1   0   1   -


            2   6   7   8   10  11  12
2:10        +               +
2:6         +   +
8:12                    +           +
8:10                    +   +
6:7             +   +
10:11                       +   +


            2   6   7   8   10  11  12
2:10        +               +
2:6         +   +
8:12                    +           +   p
8:10                    +   +
6:7             +   +                   p
10:11                       +   +       p



            2   6   7   8   10  11  12
2:10        +               +
8:12                    +           +   p
6:7             +   +                   p
10:11                       +   +       p


2:10    -   0   1   0
8:12    1   -   0   0
6:7     0   1   1   -
10:11   1   0   1   -

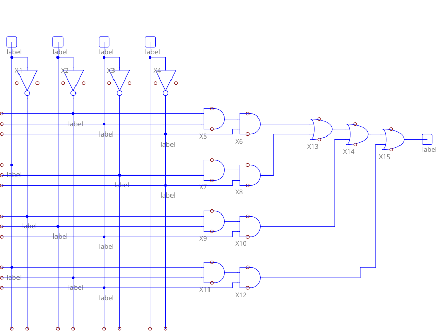
    y   <=  (not x2 and x1 and not x0) or
            (x3 and not x1 and not x0) or
            (not x3 and x2 and x1) or
            (x3 and not x2 and x1);

library ieee;
use ieee.std_logic_1164.all;

entity quine20241229 is
port (
    x3, x2, x1, x0: in std_logic;
    y: out std_logic
);
end;

architecture behaviour of quine20241229 is
begin
    y   <=  (not x2 and x1 and not x0) or
            (x3 and not x1 and not x0) or
            (not x3 and x2 and x1) or
            (x3 and not x2 and x1);
end;

library ieee;
use ieee.std_logic_1164.all;

entity quine20241229testbench is
port (
    y: out std_logic
);
end;

architecture behaviour of quine20241229testbench is
    component quine20241229
    port (
        x3, x2, x1, x0: in std_logic;
        y: out std_logic
    );
    end component;
    signal x3, x2, x1, x0: std_logic;
begin
    q: quine20241229 PORT MAP (x3=>x3, x2=>x2, x1=>x1, x0=>x0, y=>y);