quine20241229_3x.txt


(C) David Vajda
Sun Dec 29 18:45:19 2024
3 Network - TTL - Disjunktive Normalform

	x2	x1	x0		y
 0	0	0	0		0
 1	0	0	1		1
 2	0	1	0		0
 3	0	1	1		1
 4	1	0	0		1
 5	1	0	1		0
 6	1	1	0		1
 7	1	1	1		1


	x2	x1	x0		y
 1	0	0	1		1
 3	0	1	1		1
 4	1	0	0		1
 6	1	1	0		1
 7	1	1	1		1


 	x2	x1	x0		y
Gruppe 1:
 1	0	0	1		1
 4	1	0	0		1
Gruppe 2:
 3	0	1	1		1
 6	1	1	0		1
Gruppe 3:
 7	1	1	1		1

1:3			0	-	1
4:6			1	-	0
3:7			-	1	1
6:7			1	1	-

		1	3	4	6	7
1:3		+	+
4:6				+	+
3:7			+			+
6:7					+	+

		1	3	4	6	7
1:3		+	+
4:6				+	+
6:7					+	+

1:3			0	-	1
4:6			1	-	0
6:7			1	1	-

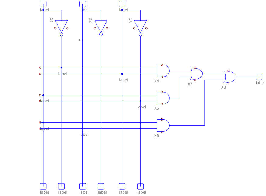
	y	<=	(not x2 and x0) or
			(x2 and not x0) or
			(x2 and x1);

library ieee;
use ieee.std_logic_1164.all;

entity quine20241229x3 is
port (
	x2, x1, x0: in std_logic;
	y: out std_logic
);
end;

architecture behaviour of quine20241229x3 is
begin
	y	<=	(not x2 and x0) or
			(x2 and not x0) or
			(x2 and x1);
end;

library ieee;
use ieee.std_logic_1164.all;

entity quine20241229x3testbench is
port (
	y: out std_logic
);
end;

architecture behaviour of quine20241229x3testbench is
	component quine20241229x3
	port (
		x2, x1, x0: in std_logic;
		y: out std_logic
	);
	end component;
	signal x2, x1, x0: std_logic;
begin
	q: quine20241229x3 PORT MAP (x2=>x2, x1=>x1, x0=>x0, y=>y);

Image quine20241229_3x

Image Screenshot_20241229_185633