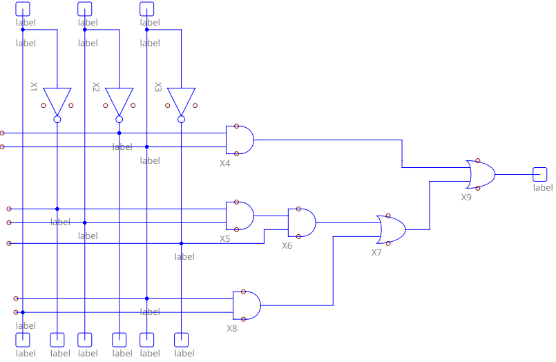
(C) David Vajda Thu Dec 26 14:10:36 2024 3 Network - TTL - Disjunktive Normalform x2 x1 x0 y 0 0 0 0 0 1 0 0 1 1 2 0 1 0 1 3 0 1 1 0 4 1 0 0 0 5 1 0 1 1 6 1 1 0 0 7 1 1 1 1 x2 x1 x0 y 1 0 0 1 1 2 0 1 0 1 5 1 0 1 1 7 1 1 1 1 x2 x1 x0 y Gruppe 1: 1 0 0 1 1 2 0 1 0 1 Gruppe 2: 5 1 0 1 1 Gruppe 3: 7 1 1 1 1 1:5 - 0 1 2 0 1 0 5:7 1 - 1 1 2 5 7 1:5 + + 2 + 5:7 + + 1:5 - 0 1 2 0 1 0 5:7 1 - 1 y <= (not x1 and x0) or (not x2 and x1 and not x0) or (x2 and x0); y <= not ( (x1 or not x0) and (x2 or not x1 or x0) and (not x2 or not x0) ); library ieee; use ieee.std_logic_1164.all; entity quine3_ttl_20241226 is port ( x2, x1, x0: in std_logic; y: out std_logic ); end; architecture behaviour of quine3_ttl_20241226 is begin y <= (not x1 and x0) or (not x2 and x1 and not x0) or (x2 and x0); end; library ieee; use ieee.std_logic_1164.all; entity quine3_ttl_20241226testbench is port ( y: out std_logic ); end; architecture behaviour of quine3_ttl_20241226testbench is component quine3_ttl_20241226 port ( x2, x1, x0: in std_logic; y: out std_logic ); end component; signal x2,x1, x0: std_logic; begin q: quine3_ttl_20241226 PORT MAP (x2=>x2, x1=>x1, x0=>x0, y=>y); |